Ciencia, Ingenierías y Aplicaciones, Vol. 7, No. 2, julio-diciembre, 2024 ISSN (impreso): 2636-218X • ISSN (en línea): 2636-2171
DOI: https://doi.org/10.22206/cyap.2024.v7i2.3265
IVÁN ACARO1a, PABLO ASTUDILLO1b, FERNANDA MERA1c, LUIS HERNÁNDEZ1*, RAÚL BAQUERO1d, CHRISTIAN GÓMEZ1e
Recibido: 14/8/2024 • Aceptado: 2/11/2024
Cómo citar: Acaro, I., Astudillo, P., Mera, F., Hernández, L., Baquero, R., Gómez, C. (2024). Estudio comparativo de un edificio de acero diseñado con un sistema dual y utilizando diferentes tipos de columnas. Ciencia, Ingenierías y Aplicaciones, 7(2), 85-109. https://doi.org/10.22206/cyap.2024.v7i2.3265
Resumen
El objetivo de esta investigación es realizar un estudio técnico-económico y comparar diversas configuraciones de columnas en un edificio de acero con un sistema dual compuesto por pórticos especiales con arriostramiento concéntrico. Con este fin se diseñaron y modelaron computacionalmente estructuras con columnas con secciones rectangulares huecas HSS, columnas con secciones tubos rectangulares rellenos de hormigón y columnas con secciones tipo I. Se analizó el comportamiento estructural de estos modelos bajo las mismas cargas y se calculó el costo total de cada alternativa mediante un análisis de precios unitarios. La comparación de las diversas configuraciones se realizó manteniendo una configuración arquitectónica similar y asegurando que los elementos estructurales cumplieran con las especificaciones de la normativa ecuatoriana. La modelación computacional permitió verificar la distribución del cortante basal, la dualidad del modelo, el ajuste del cortante dinámico, el control de modos de vibración y derivas, así como la relación demanda/capacidad, asegurando que todos los elementos estructurales soportaran solicitaciones dentro de sus capacidades. Mediante un estudio económico se obtuvo el presupuesto del edificio. Finalmente, el análisis técnico-económico de los tres modelos permitió identificar la configuración estructural que ofrece la mejor relación costo-beneficio, correspondiéndose con las secciones tubos rectangulares rellenos de hormigón.
Palabras clave: Arriostramiento concéntrico; columnas; estructuras de acero; sistema dual.
Abstract
The objective of this research is to conduct a technical-economic study and compare various column configurations in a dual-system steel building, composed of special frames with concentric bracing. For this purpose, structures with columns made of HSS hollow rectangular sections, columns with rectangular tube sections filled with concrete, and columns with I-sections were designed and modeled computationally. The structural behavior of these models under the same loads was analyzed, and the total cost of each alternative was calculated through a unit price analysis. The comparison of the various configurations was carried out while maintaining a similar architectural layout and ensuring that the structural elements met the specifications of the Ecuadorian codes. The computational modeling allowed for verification of the base shear distribution, model duality, dynamic shear adjustment, control of vibration modes and drifts, as well as the demand/capacity ratio, ensuring that all structural elements could withstand the imposed loads within their capacities. An economic study determined the budget for the building. Finally, the technical-economic analysis of the three models identified the structural configuration with the best cost-benefit ratio, which corresponds to the rectangular tube sections filled with concrete.
Keywords: Concentric bracing; columns; steel structures; dual system.
Desde la Revolución Industrial en el siglo XIX, el acero se ha consolidado como un material fundamental en la construcción. El desarrollo del proceso Bessemer en 1855 revolucionó la producción de acero, haciéndolo más asequible y accesible. Este avance permitió la construcción de estructuras emblemáticas como el puente de Brooklyn y la Torre Eiffel, demostrando las capacidades del acero en la creación de edificaciones de gran envergadura y complejidad. A lo largo del siglo XX, el acero estructural fue esencial en la construcción de rascacielos que definieron los horizontes urbanos, como el Empire State Building y el Sears Tower, así como en el desarrollo de infraestructuras críticas como puentes y estadios (Gabitov et al., 2020)
Hoy en día, los proyectos de construcción son cada vez más complejos y requieren, por tanto, una mejora continua en los conocimientos técnicos para hacer frente a cambios que presenta. Debido al crecimiento poblacional y urbanístico, se ha incrementado la utilización del acero como materia prima fundamental de proyectos estructurales tales como: viviendas, edificios, centros comerciales, etc. Las estructuras de acero se utilizan cada vez más en la construcción civil porque son más ligeras, alcanzan grandes luces y facilitan la ejecución y organización en obra (Azevedo et al., 2023). Esto debido a su alta resistencia, durabilidad, y ductilidad que es una propiedad del acero que determina su capacidad de deformarse plásticamente características particularmente valiosas en un país con las condiciones geográficas y sísmicas del Ecuador (Kaveti, 2024). El alto riesgo sísmico ha exigido a los diseñadores de estructuras considerar sistemas alternativos que satisfagan la demanda que existe en la actualidad, teniendo en cuenta aspectos como la seguridad, costo, sostenibilidad y peso (Ortega, 2018). Además, las construcciones modernas no solo deben ser seguras, sino que deben ser económicamente viables. En el caso de construcciones de hormigón armado se tiene un mayor costo de operación a diferencia de las estructuras metálicas, la cual tiene un corto periodo de construcción, debido a su rapidez de montaje, lo cual permite reducir la mano de obra utilizada (McCormac y Csernak, 2013).
Se presentan alternativas de estructuras de acero con sistemas de pórticos resistente a momento, sistemas de arriostramiento u otros medios que ayude a rigidizar la estructura para que sea más segura ante movimientos sísmicos. Adicionalmente, se tiene los sistemas duales los cuales emergen como una alternativa ya que proporcionan una solución integral que incorpora la eficiencia estructural y sísmica de manera intrínseca. Al comparar los marcos rígidos convencionales con las estructuras de marcos arriostradas, estos últimos tienen menos balanceo lateral. Por lo cual se trabaja con un sistema dual que combina los pórticos resistentes a momento con las diagonales de arriostramiento ofreciendo resistencia a las fuerzas laterales y una mayor capacidad de absorción de energía, además. La apariencia de los sistemas de arriostramiento en el marco cambia el comportamiento estructural general, particularmente cuando está expuesto a cargas laterales (Yusuf, 2023). Cuando las cargas laterales se aplican al marco arriostrado, los tirantes diagonales se someten a compresión, mientras que el alma horizontal actúa como elemento de tensión axial para mantener la estructura del marco en equilibrio (Zainol et al., 2018). Según la norma ASCE/SEI 7-22 (2022), para que un sistema sea considerado como dual, el sistema de pórticos resistentes a momento debe ser capaz de resistir al menos el 25% de la carga sísmica lateral. De esta manera, se genera en la estructura un sistema secundario resistente a cargas sísmicas con varios grados de redundancia y ductilidad.
Los sistemas de arriostramiento permiten contrarrestar las deformaciones y movimientos que pueden comprometer la integridad de la estructura. Existen varios tipos de sistemas de arriostramiento que se seleccionan según las características del proyecto y los requisitos específicos de diseño. Los más comunes son los sistemas de arriostramiento concéntricos que son pórticos formados por vigas, columnas y barras diagonales o riostras, con una respuesta principal a tracción y compresión axial. Estos sistemas aumentan la rigidez lateral del marco y disminuyen la deriva lateral. Sin embargo, el aumento de la rigidez puede atraer una fuerza de inercia mayor debido al terremoto. Además, si bien los arriostramientos disminuyen los momentos de flexión y las fuerzas de corte en columnas, aumentan la compresión axial en las columnas a las que están conectados (Khusru, 2019).
Un ejemplo significante es la Torre Central Park, Nueva York, la cual finalizó su construcción en el año 2020, la cual utiliza un sistema de arriostramiento concéntrico que consisten en barras diagonales que se conectan en un solo punto central, formando un diseño triangular dentro del marco estructural proporcionando rigidez lateral y ayudando a distribuir las cargas de viento y sísmicas de manera eficiente a lo largo de la estructura, minimizando las deformaciones y movimientos indeseado. Además, optimiza el uso del espacio interno sin comprometer la estabilidad. Otros elementos estructurales que utiliza para maximizar la estabilidad son núcleos de concreto reforzado y vigas de acero robustas que forman un sistema integrado de soporte (Korman, 2020).
Las columnas son uno de los componentes más sensibles debido a que pueden experimentar pandeo local debido a secciones con espesores pequeños, demandando el uso de apoyos laterales o secciones de mayor espesor, incrementando su costo. En este trabajo se comparan edificaciones con 3 tipos de secciones transversales diferentes en las columnas: tubos rectangulares rellenos de hormigón, rectangulares huecas y tipo I. Para cada edificación se analiza el comportamiento estructural y se realiza el análisis económico bajo las mismas demandas. En el caso de las columnas rellenas de hormigón, la sección de acero que se encuentra en el perímetro exterior mejora la rigidez y tiene un módulo de elasticidad mucho mayor que el hormigón. Además, confina el núcleo de hormigón, lo que aumenta la resistencia a la compresión y la ductilidad de la columna. Si bien el hormigón relleno forma un núcleo ideal para soportar la carga de compresión, también retrasa y a menudo previene el pandeo local del acero (Shaker et al.,2022). En cuanto a las columnas rectangulares huecas Aghayere y Vigil, (2020) aluden que, debido a su forma cerrada, no son tan susceptibles al pandeo lateral y a la torsión como las secciones abiertas. Además, McCormac y Csernak (2013) menciona que las secciones tipo I se puede soldar, perforar y atornillar con facilidad dado que proporciona buena compatibilidad para las conexiones con otros miembros ya sean primarios y secundarios, ayudando a disminuir tiempo de construcción de los proyectos. Finalmente se realiza un análisis económico de los tres modelos, y como argumenta Shaker et al. (2022), el coste de una columna de acero rellena de hormigón por unidad de resistencia es mucho menor que el de una columna de acero hueca y de la columna tipo I, debido a que el hormigón tiene menor costo.
Partiendo de un trabajo previo realizado en la Escuela Politécnica Nacional por Chango et al. (2024), se tomó la misma edificación como referencia, por lo que son similares la arquitectura y las cargas gravitaciones. El edificio comprende cinco pisos con una distancia entre ellos de 3.15 metros, siendo los dos primeros niveles destinados a oficinas y los tres niveles superiores designados para uso residencial. Además, incluye una terraza accesible y un tapagrada con una altura de 2.50 metros. La altura total de la estructura, medida desde la base, es de 20.45 metros. Las Figuras 1-5 se muestran la elevación, planta y la ubicación de los arriostramientos concéntricos, donde las dimensiones aparecen en metros.
Figura 1
Vista en elevación del edificio

Figura 2
Vista en Planta del Edificio con ubicación de las vigas. Dimensiones en metros

Figura 3
Vista en planta de la ubicación de los arriostramientos. Dimensiones en metros

Figura 4
Edificio con arriostramiento concéntrico vista frontal

Figura 5
Edificio con arriostramiento concéntrico vista lateral

En la Tabla 1 se detallan las propiedades del hormigón para la losa y las columnas rellenas, mientras que en la Tabla 2 se muestran las propiedades del acero para columnas, vigas y arriostramientos, donde Ry es el factor de amplificación para llegar al valor de esfuerzo de fluencia esperado, por lo que también se puede definir como la relación entre el esfuerzo de fluencia esperado y el especificado. Estos fueron los empleados en el pre-dimensionamiento, modelación y diseño de los elementos estructurales del edificio. Se establecieron las cargas gravitacionales de diseño según se detalla en la Tabla 3. Estas incluyen la carga muerta o permanente, que provienen de acabados, mampostería, deck metálico, instalaciones, entre otros, así como la carga viva o sobrecarga, cuyo valor varía según el uso de la estructura. Para esto, se tomaron en cuenta los valores establecidos en NEC-SE-CG (2024) y ASCE/SEI 7-22 (2022), junto con información proporcionada por fabricantes nacionales.
Tabla 1
Descripción de las propiedades del hormigón para la losa y las columnas rellenas
|
Hormigón de losa |
Hormigón de relleno de columnas |
Resistencia a la compresión |
f'c= 21 MPa |
f'c= 24 MPa |
Módulo de elasticidad |
EC= 21 538 MPa |
EC=23 025 MPa |
Peso específico |
ɣC= 24 kN/m³ |
ɣC= 24 kN/m³ |
Tabla 2
Descripción de las propiedades del acero para columnas, vigas y arriostramientos
|
Acero ASTM A36 |
Acero ASTM A572 Grado 50 |
Acero ASTM A500 Grado C |
Esfuerzo de fluencia |
Fy=250 [MPa] |
Fy=345 [MPa] |
Fy=315 [MPa] |
Módulo de elasticidad |
Es=200 000 [MPa] |
Es=200 000 [MPa] |
Es=200 000 [MPa] |
Peso específico |
Ɣs= 78.5 [kN/m3] |
Ɣs= 78.5 [kN/m3] |
Ɣs= 78.5 [kN/m3] |
Ry |
1.5 |
1.1 |
1.3 |
Tabla 3
Cargas gravitacionales de Diseño
|
Carga |
Primer y Segundo piso N/m2 |
Tercer y cuarto piso N/m2 |
Terraza accesible N/m2 |
Tapa grada N/m2 |
Cubierta N/m2 |
Carga muerta D |
Placa colaborante |
62.6 |
62.6 |
62.6 |
62.6 |
62.6 |
Hormigón de losa |
1765.8 |
1765.8 |
1765.8 |
1765.8 |
1765.8 |
|
Mampostería |
3193.6 |
2502.9 |
1525.6 |
578.1 |
0 |
|
Cielorraso |
196.2 |
196.2 |
0 |
0 |
0 |
|
Acabado baldosa sobre piso |
196.2 |
196.2 |
196.2 |
0 |
0 |
|
Instalaciones |
147.2 |
147.2 |
147.2 |
98.1 |
98.1 |
|
TOTAL (D) |
5561.6 |
4870.9 |
3697.3 |
2504.6 |
1926.5 |
|
Carga Viva L |
Oficinas |
2393.6 |
|
|
|
|
Residencial |
|
1962 |
1962 |
1962 |
|
|
TOTAL (L) |
2393.6 |
1962 |
1962 |
1962 |
0 |
Dado que las columnas son los únicos elementos estructurales que varían en cada modelo, se mantienen las secciones de vigas tipo I a utilizar mostrada en la Tabla 4. Para el diseño y análisis sismorresistente se consideró el Modelo 1 con columnas de acero huecas, el Modelo 2 con columnas compuestas y el Modelo 3 con columnas con perfil tipo I. Se emplearon normativas nacionales como la NEC-SE-EA (2024). Además, se utilizaron normativas internacionales como la ANSI/AISC 360-22 (2022), ANSI/AISC 341-22 (2022) y ASCE/SEI 41-17 (2017). Los resultados del diseño de las columnas del edificio junto con una representación gráfica de las secciones consideradas, con sus respectivas etiquetas, se presentan en las Tablas 5-7. En todos los modelos, se consideraron uniones rígidas correspondientes a Pórticos Arriostrados Concéntricamente (CBF), se comprobó la condición de columna fuerte y viga débil en todas las uniones para asegurar la formación de rótulas plásticas en las vigas.
Tabla 4
Secciones de vigas tipo I
VIGAS TIPO I [mm] |
||||
Nomenclatura |
Dwxtw |
+ |
bfxtf |
|
VIGAS SECUNDARIAS |
||||
IPE 80 |
80x3.8 |
+ |
46x5.2 |
|
IPE 100 |
100x4.1 |
+ |
55x5.7 |
|
IPE 120 |
120x4.4 |
+ |
64x6.3 |
|
IPE 140 |
140x4.7 |
+ |
73x6.9 |
|
IPE 160 |
160x5 |
+ |
82x7.4 |
|
IPE 180 |
180x5.3 |
+ |
91x8 |
|
VIGAS PRINCIPALES |
||||
V100X250X5 |
250x5 |
+ |
100x15 |
|
V100X250X8 |
250x8 |
+ |
100x15 |
|
V120X300X5 |
300x5 |
+ |
120x15 |
|
V120X300X6 |
300x6 |
+ |
120x15 |
|
V120X300X8 |
300x8 |
+ |
120x15 |
|
V150X300X6 |
300x6 |
+ |
150x20 |
|
V150X300X8 |
300x8 |
+ |
150x20 |
|
V150X300X10 |
300x10 |
+ |
150x20 |
|
V150X250X5 |
250x5 |
+ |
150x20 |
|
Tabla 5
Secciones de columnas de acero huecas
COLUMNAS ||RECTANGULARES HUECAS HSS [mm] |
||||
Nomenclatura |
b [mm] |
h [mm] |
t [mm] |
|
N+3.15; N+6.30 |
||||
C100x100x8 |
100 |
100 |
8 |
|
C125x100x10 |
125 |
100 |
10 |
|
C150x150x12 |
150 |
150 |
12 |
|
C200x150x15 |
200 |
150 |
15 |
|
C200x200x15 |
200 |
200 |
15 |
|
C250x200x19 |
250 |
200 |
19 |
|
C250x250x19 |
250 |
250 |
19 |
|
C275x250x21 |
275 |
250 |
21 |
|
C300x300x23 |
300 |
300 |
23 |
|
N+9.45; N+12.60; N+15.75; N+18.25 |
||||
C100x100x8 |
100 |
100 |
8 |
|
C125x125x10 |
125 |
125 |
10 |
|
C150x125x12 |
150 |
125 |
12 |
|
C150x150x12 |
150 |
150 |
12 |
|
C200x150x15 |
200 |
150 |
15 |
|
C200x200x15 |
200 |
200 |
15 |
|
C250x200x19 |
250 |
200 |
19 |
|
C250x250x19 |
250 |
250 |
19 |
|
C275x250x21 |
275 |
250 |
21 |
|
N+20.45 |
||||
C150x150x12 |
150 |
150 |
12 |
|
Tabla 6
Secciones de columnas rellenas de hormigón
COLUMNAS CFST [mm] |
||||
Nomenclatura |
b1 [mm] |
h1 [mm] |
t [mm] |
|
C150X150X3mm |
150 |
150 |
3 |
|
C200x200x3mm |
200 |
200 |
3 |
|
C200x200x4mm |
200 |
200 |
4 |
|
C200x200x5mm |
200 |
200 |
5 |
|
C300x200x5mm |
300 |
200 |
5 |
|
C200x200x6mm |
200 |
200 |
6 |
|
C 2C 300X200X8mm |
300 |
200 |
8 |
|
C 2C 300X240X12mm |
300 |
240 |
12 |
|
C 2C 300X200X10mm |
300 |
200 |
10 |
|
C 2C 300X300X10mm |
300 |
300 |
10 |
|
C 2C 300X200X12mm |
300 |
200 |
12 |
|
Tabla 7
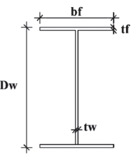
Secciones de columnas tipo I
COLUMNAS TIPO I [mm] |
|||||
Nomenclatura |
bf [mm] |
tf [mm] |
Dw [mm] |
tw [mm] |
|
N+3.15; N+6.30 |
|||||
CI06 400x30x450x20 |
400 |
30 |
450 |
20 |
|
CI01 350x25x400x20 |
350 |
25 |
400 |
20 |
|
CI02 300x25x350x15 |
300 |
25 |
350 |
15 |
|
CI03 250x20x350x15 |
250 |
20 |
350 |
15 |
|
N+9.45; N+12.60; N+15.75; N+18.25 |
|||||
CI04 200x20x300x15 |
200 |
20 |
300 |
15 |
|
CI011 150x20x250x10 |
150 |
20 |
250 |
10 |
|
CI05 150x15x250x10 |
150 |
15 |
250 |
10 |
|
N+20.45 |
|||||
CI08 100x15x150x10 |
100 |
15 |
150 |
10 |
|
Modelo 1: El diseño de la estructura con columnas compuestas de secciones rectangulares y cuadradas huecas resultando las secciones de columnas mostradas en la Tabla 5.
Modelo 2: El diseño de la estructura con columnas de acero de secciones rectangulares y cuadradas rellenas de hormigón resultando las secciones mostradas en la Tabla 6.
Modelo 3: El diseño de la estructura con columnas de acero de secciones tipo I resultando las secciones mostradas en la Tabla 7.
Los arriostramientos y su ubicación son los mismos en los tres modelos. Las secciones a utilizar en los arriostramientos será sección circular hueca y se muestra en la Tabla 8.
Tabla 8
Secciones de arriostres de sección circular
NOMENCLATURA DE ARRIOSTRES DE SECCIÓN TUBULAR |
|||
Nomenclatura |
ϕ [mm] |
t [mm] |
|
TB1 |
76.2 |
5 |
|
TB2 |
101.6 |
5 |
|
TB3 |
127 |
6 |
|
TB4 |
127 |
8 |
|
TB5 |
152.4 |
8 |
|
Para los diversos modelos, se utilizaron las combinaciones de cargas especificadas en la ASCE/SEI 7-22 (2022). Se consideraron cargas gravitacionales muertas provenientes del panel metálico, hormigón, mampostería, instalaciones y acabados de piso y techo, así como cargas gravitacionales vivas correspondientes a oficinas en los primeros dos pisos y a viviendas en los pisos superiores. Para las cargas horizontales, se tomaron en cuenta el sismo y el viento, combinadas según las indicaciones de la ASCE/SEI 7-22 (2022). Se verificó que no hubiera fallos por pandeo local de las columnas, permitiendo alcanzar el momento plástico. En todos los modelos, las combinaciones de cargas más desfavorables para las columnas fueron aquellas que incluían el sismo, determinando así las dimensiones de la sección transversal.
Los pórticos con arriostramiento concéntrico (CBF) tienen características que conducen a un nivel apreciable de rigidez y resistencia han hecho que sean ampliamente utilizados por los ingenieros estructurales (Mofid et al., 2023). Además, es una de las estructuras sismorresistentes con alta rigidez que proviene de su componente diagonal, el arriostramiento. En los CBF, el arriostramiento es un componente que disipa la energía del terremoto para disminuir el daño a los componentes estructurales como vigas y columnas (Arief Panjaitan, 2023). Este diseño es económico y resistente a cargas laterales, proporcionando estabilidad en estructuras. Su eficacia en situaciones sísmicas se debe a su rigidez lateral. Durante eventos sísmicos, la dirección de la carga cambia, invirtiendo la compresión y tracción en los arriostramientos (Crisafulli, 2018).
Para el diseño de pórticos arriostrados concéntricamente se utilizó la norma ANSI/AISC 341-22 (2022) adoptando así criterios, requisitos y especificaciones de diseño, realizándose la determinación de la resistencia necesaria para conexiones, columnas y vigas, considerando las acciones sísmicas limitadas por capacidad (Ecl); la magnitud de este efecto, Ecl, se establecerá como la fuerza máxima derivada del siguiente análisis: el primero un análisis que parte de la suposición de que todas las riostras desarrollan la resistencia esperada a compresión y tensión.; y el segundo para un análisis que asume que todos las riostras en tensión desarrollan la resistencia esperada, mientras que todas las riostras en compresión desarrollan la resistencia esperada post-pandeo.
Además, se cumplió con requisitos básicos según la norma ANSI/AISC 341-22 (2022); donde los arriostramientos, columnas y vigas deben cumplir con los requisitos de la sección D1.1 para miembros altamente dúctiles y especificaciones de diseño para los arriostramientos: en los cuales la esbeltez de las riostras debe cumplir con la relación de esbeltez especificada mediante la ecuación (1) (ANSI/AISC 341-22, 2022).
Donde:
Lc Longitud efectiva de la riostra. (mm)
r Radio de giro de la riostra. (mm)
Como se estandariza en la ANSI/AISC 341-22 (2022), las conexiones de las riostras deben cumplir con la resistencia a tracción seleccionada, la cual se corresponde con la menor entre su resistencia a fluencia de la riostra esperada obtenida mediante la ecuación (2) y la carga axial máxima transmitida evaluada a través de un análisis estructural. De igual forma, deben cumplir con la resistencia a compresión seleccionada la que debe ser al menos la resistencia esperada para la compresión de la riostra considerando efectos causados por su pandeo, las fuerzas flexionales o rotaciones impuestas por el pandeo de la riostra. La resistencia flexional requerida se determina mediante la ecuación (3). Las soldaduras que sujetan una placa de refuerzo deben cumplir con la resistencia al corte disponible, especificada mediante la ecuación (4).
Donde:
Ry Relación entre el esfuerzo de fluencia esperado y el esfuerzo de fluencia especificado.
Fy Esfuerzo de fluencia especificado para el acero. (MPa)
Ag Área bruta de la sección, (m2)
Mp Momento plástico (MN·m)
tp Espesor de la placa de refuerzo, (m)
αs Factor que depende del método empleado, para LRFD = 1 y para ASD = 1.5
Los empalmes de columna deben cumplir con los requisitos de la Sección D2.5 de ANSI/AISC 341-22 (2022) y ser diseñados para desarrollar al menos el 50% del menor momento plástico de los miembros conectados. Debido a los ciclos de compresión y tracción a los que se verán sometidos los arriostramientos, se genera un comportamiento histerético de la sección. Por las condiciones de apoyo impuestas se generan 3 zonas de fluencia o también llamadas zonas protegidas. Para este caso de estudio con geometría de V y V invertida, las zonas protegidas se ubican en la longitud media de la riostra y en la placa de conexión, esto con la finalidad de fallas antes de que el elemento desarrolle su capacidad inelástica.
En la Figura 6 se presentan imágenes de las condiciones de apoyo del arriostramiento y su deformación, mientras que la Figura 7 se muestra su comportamiento histerético. Estos han sido extraídos del estudio realizado por Foroughi, et al. (2021).
Figura 6
Condición de apoyo del arriostre

Figura 7
Curva histerética de una sección de arriostre

El desarrollo de métodos de construcción resistentes a los terremotos se ha vuelto esencial debido a la creciente urbanización y densidad de población en áreas propensas a estos. Para diseñar y construir estructuras que puedan soportar fuerzas sísmicas y reducir el riesgo de daños o colapso durante un terremoto, es esencial estudiar técnicas de construcción resistentes a los terremotos (Abhinand et al., 2023). Los criterios de diseño sismorresistente se basan en métodos probabilísticos que suponen las intensidades y frecuencias de ocurrencia de un evento sísmico, ya que la predicción de un evento sísmico sigue siendo incierta. Para generar un espectro de diseño, es necesario realizar una caracterización sísmica del lugar que muestre las aceleraciones máximas probables para diferentes tiempos de retorno.
La estructura se encuentra en la zona V considerada de alto peligro sísmico con un factor de zona igual a 0.40g según el mapa de zonificación sísmica del país presentada en la NEC-SE-DS (2015) y le corresponde un perfil de suelo tipo D debido al lugar de emplazamiento. Los coeficientes de amplificación Fa=1.2, Fd=1.19 y Fs=1.28 se obtuvieron en base a estos parámetros. Se selecciona un factor de importancia igual a 1 según el tipo de uso de la estructura, así como se estiman los coeficientes de configuración estructural en planta Øp y en elevación Øe igual a 1 al no presentar irregularidades. Sin embargo, el período de vibración de la estructura Ta se calcula utilizando los métodos de la NEC-SE-DS (2015). El Método 1 utiliza la ecuación (5) según el tipo de estructura para calcular aproximadamente el valor del periodo T. En este ejemplo, se encuentran los valores Ct = 0.073 y α=0.75 porque es una estructura de acero con arriostramientos (NEC-SE-DS, 2015)
donde:
Ct: Factor que depende del tipo de edificación
α: Factor que depende del tipo de edificación
hn: Altura máxima del edificio de n pisos.
Método 2. El valor de Ta obtenido por este método no debe ser superior en un 30% al valor de Ta obtenido con el método 1.
La Figura 8 muestra el espectro de respuesta elástico de aceleraciones obtenido de acuerdo con las características geotécnicas, sísmicas y del tipo de suelo donde se encuentra la estructura. Además, se muestra el espectro de diseño inelástico que se obtiene aplicando un factor de reducción R igual a 7, que tiene en cuenta la resistencia y ductilidad de la estructura.
Figura 8
Espectro sísmico de respuesta

Se compararon tres modelos estructurales: el Modelo 1, columnas rectangulares de acero huecas (HSS), el Modelo 2, con columnas rectangulares de acero rellenas de hormigón (CFST) y el Modelo 3, con columnas de perfil tipo I de acero. El objetivo de esta comparación fue evaluar el beneficio adicional que proporciona el núcleo de hormigón en la estructura, así como el comportamiento de cada estructura. En la Tabla 9 se indica el porcentaje de la carga lateral total que soporta las columnas del primer piso de cada estructura. Donde se puede observar que todos los modelos cumplen con el sistema dual, es decir, las columnas pueden resistir al menos el 25% del total de la carga lateral.
Tabla 9
Comparación del porcentaje de sistema dual
|
MODELO 1 CFST |
MODELO 2 HSS |
MODELO 3 Tipo I |
|||
Output Case |
Fx (kN) |
Fy (kN) |
Fx (kN) |
Fy (kN) |
Fx (kN) |
Fy (kN) |
SX |
26.03% |
- |
27.51% |
- |
27.3 % |
- |
SY |
- |
29.59% |
- |
28.46% |
- |
25.18 % |
En el modelo con columnas CFST, el cortante basal es mayor debido a la presencia de hormigón dentro de las columnas, lo que incrementa la carga reactiva de la estructura. Esto permite cumplir con la normativa NEC-SE-DS (2015), que exige que el cortante basal por sismo dinámico sea mayor al 80% del cortante basal por sismo estático en ambas direcciones. En las Tablas 10 y 11 se indica el cortante basal obtenido por los sismos estático (S) y dinámico (D) en dirección X e Y respectivamente.
Tabla 10
Comparación Cortante Basal dirección X
SENTIDO X-X |
MODELO 1 CFST |
MODELO 2 HSS |
MODELO 3 Tipo I |
Output Case |
VX (kN) |
VX (kN) |
VX (kN) |
SX |
1541.45 |
-1519.22 |
-1542.91 |
DX |
1417.23 |
1357.54 |
1416.8 |
|
91.94% |
89.36% |
91.83% |
Tabla 11
Comparación Cortante Basal dirección Y
SENTIDO Y-Y |
MODELO 1 CFST |
MODELO 2 HSS |
MODELO 3 Tipo I |
Output Case |
VY (kN) |
VY (kN) |
VY (kN) |
SY |
1559.63 |
-1519.22 |
-1542.91 |
DY |
1414.7 |
1355.32 |
1414.61 |
|
90.71% |
89.21% |
91.68% |
En base a las Tablas 5, 6 y 7 las dimensiones de las secciones obtenidas para los tres modelos presentan una variación, dado que para el modelo con columnas HSS y con columnas tipo I los espesores obtenidos son mayores a fin de compensar la ausencia del núcleo de hormigón en las columnas. La Tabla 12 presenta un análisis modal de los tres primeros modos de vibración para las estructuras, y se observa que no hay diferencias significativas en las características de vibración, lo que indica que no hay torsión en planta en ninguna de las estructuras. Esto evidencia que la presencia de hormigón en las columnas no modifica su comportamiento estructural.
Tabla 12
Modelos de vibración
MODELO 1 CFST |
Modo |
Período (sec) |
UX |
UY |
RZ |
1 |
0,60 |
0.830 |
74.840 |
0.060 |
|
2 |
0.50 |
75.080 |
0.920 |
0.600 |
|
3 |
0.38 |
0.560 |
0.130 |
75.610 |
|
MODELO 2 HSS |
Modo |
Período (sec) |
UX |
UY |
RZ |
1 |
0.60 |
0.011 |
0.735 |
0.001 |
|
2 |
0.50 |
0.735 |
0.013 |
0.005 |
|
3 |
0.38 |
0.006 |
0.002 |
0.740 |
|
MODELO 3 TIPO I |
Modo |
Período (sec) |
UX |
UY |
RZ |
1 |
0.541 |
0.0069 |
0.7599 |
0.0005 |
|
2 |
0.46 |
0.7573 |
0.0074 |
0.0063 |
|
3 |
0.345 |
0.0064 |
0.0009 |
0.7757 |
Por otra parte, las tablas 13 y 14 muestran las máximas derivas de piso obtenidas en el análisis sísmico para las direcciones X e Y, respectivamente, en los 3 modelos. Las derivas están dentro del límite estipulado por la NEC-SE-DS (2015). La estructura con columnas HSS presenta mayores derivas porque soporta fuerzas laterales más grandes. Sin embargo, en la dirección Y, la estructura con columnas tipo I presenta mayores derivas. En la Tabla 15 se indica la diferencia entre el peso propio de las estructuras, que servirá como criterio de comparación para el análisis económico.
Tabla 13
Deriva Inelástica en X
|
|
|
MODELO 1 CFST |
MODELO 2 HSS |
MODELO 3 Tipo I |
Pisos |
ALTURA (m) |
NEC 15 (%) |
DERIVA (%) |
DERIVA (%) |
DERIVA (%) |
Cubierta ascensor |
2.2 |
2 |
1.29 |
1.64 |
1.35 |
Tapagrada |
2.5 |
2 |
0.97 |
1.48 |
0.65 |
Terraza |
3.15 |
2 |
0.78 |
0.81 |
0.59 |
Cuarto Piso |
3.15 |
2 |
0.93 |
0.96 |
0.77 |
Tercer Piso |
3.15 |
2 |
0.82 |
0.82 |
0.74 |
Segundo Piso |
3.15 |
2 |
0.88 |
0.87 |
0.76 |
Primer Piso |
3.15 |
2 |
0.57 |
0.51 |
0.52 |
Tabla 14
Deriva Inelástica en Y
|
|
|
MODELO 1 CFST |
MODELO 2 HSS |
MODELO 3 Tipo I |
Pisos |
ALTURA (m) |
NEC 15 (%) |
DERIVA (%) |
DERIVA (%) |
DERIVA (%) |
Cubierta ascensor |
2.2 |
2 |
1.16 |
1.63 |
1.69 |
Tapagrada |
2.5 |
2 |
0.86 |
1.57 |
0.56 |
Terraza |
3.15 |
2 |
0.95 |
0.75 |
0.69 |
Cuarto Piso |
3.15 |
2 |
1.11 |
0.78 |
0.84 |
Tercer Piso |
3.15 |
2 |
1.04 |
0.74 |
0.90 |
Segundo Piso |
3.15 |
2 |
1.07 |
0.74 |
0.90 |
Primer Piso |
3.15 |
2 |
0.66 |
0.46 |
0.55 |
Tabla 15
Peso propio de la estructura
PESO DE LA ESTRUCTURA (kN) |
||
Modelo 1 - CFST |
Modelo 2 - HSS |
Modelo 3 - TIPO I |
9148 |
8996 |
9433 |
El modelo con columnas de acero huecas presenta una reducción de aproximadamente 437 kN en comparación con el modelo con columnas de tipo I. Esto lo convierte en una alternativa más eficiente, ya que soporta las fuerzas sísmicas con menor cantidad de material. Sin embargo, este modelo requiere secciones de mayor espesor, que tienen poca disponibilidad en el mercado nacional. Además, se debe considerar la cantidad de soldadura necesaria, que depende del espesor del perfil y afecta directamente el costo total de la estructura. La Tabla 16 compara el costo entre las columnas CFST del Modelo 1, las columnas HSS del Modelo 2 y las columnas tipo I del Modelo 3, mostrando una reducción del 17.45% en el costo para el modelo con columnas CFST. Esto equivale a un ahorro de aproximadamente $80 000. Los precios están reflejados en dólares (USD).
Tabla 16
Comparación económica
PRESUPUESTO DE LA ESTRUCTURA (USD) |
||
Modelo 1 - CFST |
Modelo 2 - HSS |
Modelo 3 - TIPO I |
$371 621.04 |
$436 136.74 |
$450 117.55 |
La comparación de los tres modelos muestra que las columnas soportan valores de cortantes superiores al 25% del cortante basal en ambas direcciones, confirmando que el sistema es dual para los tres casos y, además, en el cortante basal calculado para los sismos estático y dinámico en las direcciones X e Y, se observa que este valor es superior al 80% en los tres modelos, lo que indica que las fuerzas de corte se distribuyen de acuerdo con las expectativas basadas en la configuración estructural. Comparando los porcentajes de masa participante para los primeros tres modos de vibración del edificio en las direcciones X, Y y Rz, se muestra una distribución adecuada de la masa participante, garantizando una respuesta sísmica precisa y los porcentajes de la deriva inelástica son menores al 1.7%, es decir, menores al 2% de la deriva máxima permitida por la Norma Ecuatoriana de la Construcción; significando que el edificio presentará deformaciones inelásticas controlables.
De la comparación del peso del edificio para los tres modelos, se obtiene que el más liviano es el que presenta columnas HSS huecas, con un peso de 9148 kN, y el más pesado es el modelo con columnas de perfil tipo I, con un peso de 9433 kN. La comparación económica muestra que el edificio con columnas rectangulares huecas rellenas de hormigón es la opción más adecuada, con un costo de $371 621.04, siendo más económico un 17.36% que el modelo con columnas HSS y un 21.12% que el modelo con columnas de perfil tipo I. Finalmente, a partir de los resultados obtenidos se concluye, que la configuración estructural que ofrece la mejor relación costo-beneficio cumpliendo con las especificaciones de la normativa considerada es el edificio con columnas rellenas de hormigón.
Abhinand R., Lekesh M. y Shahid S. B. (2023). Earthquake resistant design. Earthquake, April 2023.
Aghayere, A. y Vigil, J. (2020). Structural Steel Design. Third Edition, Virginia, Ed. Mercury Learning and Information, p.20.
ANSI/AISC 341-22. (2022). Seismic Provisions for Structural Steel Buildings. United States of America.
ANSI/AISC 360-22. (2022). Specification for Structural Steel Buildings. United States of America.
Arief, P., Purwandy H., Rudiansyah P., Mochammad A., Muhammad H., Fakhran A., Dwi P. N. y Asraf H. (2023). The Performance of Concentrically Braced Frames (CBF) in Chevron V Brace and Diagonal Configuration by Considering Various Frame Heights. Aceh International Journal of Science and Technology. August 2023.
ASCE/SEI 7-22. (2022). Minimum Design Loads and Associated Criteria for Buildings and Other Structures. United States of America.
ASCE/SEI 41-17. (2017). Seismic Evaluation and Retrofit of Existing Buildings. United States of America.
Azevedo, I. S, Diaz da Silva, A. R. y Silveire, R. A. (2023). Influence of inverted-v-braced system on the stability and strength of multi-story steel frames. Civil Engineering, Jan-Mar 2023. https://doi.org/10.1590/0370-44672022760017
Chango, B., Ruiz, K., Hernández, L., Baquero, R. (2024). Estudio comparativo del uso de columnas de acero huecas y columnas compuestas en pórticos resistentes a momento. Ciencia, Ingenierías y Aplicaciones, 7(1), 33–54.
Crisafulli, F. J. (2018). Diseño Sismorresistente de Construcciones de Acero. 5ta edición, www.alacero.org
Foroughi, H., Wei, G., Torabian, S., Eatherton, M. R., & Schafer, B. W. (2021). Seismic Behavior of Steel SCBF Buildings Including Consideration of Diaphragm Inelasticity. COLD-FORMED STEEL RESEARCH CONSORTIUM, April 2021.
Gabitov A. I., Udalova E. A., Salov A. S y Yamilova V. V. (2020). Historical Aspects of Development of Metall Structures and Application Thereof in Buildings and Facilities. International Science and Technology Conference (FarEastСon 2020). https://doi.org/10.1088/1757-899X/1079/2/022037
Kaveti, B. (2024). Mechanical Properties of Steel in High-Stress Environments. Editorial Feature, Jan 02, 2024.
Khusru S. y Tafheem Z. (2019). Structural behavior of steel building with concentric and eccentric bracing: A comparative study. International Journal of Civil and Structural Engineering, 5(2).
Korman, R. (2020). Central Park Tower, the Western Hemisphere’s Tallest Residential Skyscraper, Nears Completion. Engineering News-Record.
Mcormac, C., & Csernak, S. F. (2013). Diseño de estructuras de acero. Fifth Edition, Ed. Alfaomega, p.32 y p.134.
Mofid M. & Souri O. (2023). Seismic evaluation of concentrically braced steel frames equipped with yielding elements and BRBs. ScienceDirect, 17, 100853. https://doi.org/10.1016/j.rineng.2022.100853
NEC-SE-CG. (2024). Cargas Generales. Norma Ecuatoriana de la Construcción, MIDUVI, Ecuador.
NEC-SE-DS (2015). Peligro sísmico diseño sismo resistente. Norma Ecuatoriana de la Construcción, MIDUVI, Ecuador
NEC-SE-EA (2024). Estructuras de Acero. Norma Ecuatoriana de la Construcción, MIDUVI, Ecuador.
Ortega, F. C. (2018). Diseño básico de Estructuras de Acero. CEO. GRUPO GISE, Versión 1.1 0017
Shaker, F.M.F., Daif, M.S., Deifalla, A.F., Ayash, N.M. (2022). Parametric Study on the Behavior of Steel Tube Columns with Infilled Concrete—An Analytical Study. Sustainability, 14, 14024. https://doi.org/10.3390/ su142114024.
Yusuf, A. H. (2023). Effect of Different Types of Bracing Systems on Seismic Performances of High-Rise Buildings: A Review. J Water Res, 1(1), 56-60.
Zainol N. Z., Adnan A. S. y Razak S. M. (2018). A Review of Influence of Various Types of Structural Bracing to the Structural Performance of Buildings. E3S Web of Conferences, January 2018. https://doi.org/10.1051/e3sconf/20183401010
_______________________________
* Autor correspondiente, Ingeniero Civil, PhD, Profesor Titular, Facultad de Ingeniería Civil y Ambiental, Centro de Investigación de la Vivienda, Escuela Politécnica Nacional, Quito, Ecuador. ORCID: 0000-0002-5805-9318. Correo-e: luis.hernandezr@epn.edu.ec
1 Centro de Investigación de la Vivienda, Departamento de Ingeniería Civil y Ambiental, Escuela Politécnica Nacional, Quito- Ecuador
a Ingeniero Civil, Centro de Investigación de la Vivienda, Escuela Politécnica Nacional, Facultad de Ingeniería Civil y Ambiental; Quito, Ecuador. ORCID: 0009-0000-3496-8069. Correo-e: ivan.acaro@epn.edu.ec
b Ingeniero Civil, Centro de Investigación de la Vivienda, Escuela Politécnica Nacional, Facultad de Ingeniería Civil y Ambiental; Quito, Ecuador. ORCID: 0009-0000-2227-5740. Correo-e: pablo.astudillo01@epn.edu.ec
c Ingeniero Civil, Centro de Investigación de la Vivienda, Escuela Politécnica Nacional, Facultad de Ingeniería Civil y Ambiental; Quito, Ecuador. ORCID: 0009-0007-5755-4206. Correo-e: fernanda.mera@epn.edu.ec
d Ingeniero Civil, Especialista del Centro de Investigación de la Vivienda, Escuela Politécnica Nacional, Facultad de Ingeniería Civil y Ambiental; Quito, Ecuador. ORCID: 0000-0001-5937-7759. Correo-e: raul.baquero@epn.edu.ec
e Ingeniero Civil, MBA., Coordinador Técnico del Centro de Investigación de la Vivienda, Escuela Politécnica Nacional, Facultad de Ingeniería Civil y Ambiental; Quito, Ecuador. ORCID: 0000-0002-5017-4629. Correo-e: christian.gomez@epn.edu.ec